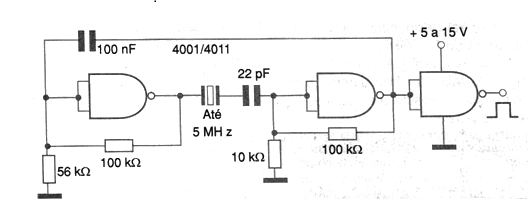
La frecuencia máxima del oscilador que se muestra en la figura 10 es del orden de 5 MHz, dependiendo de la tensión de alimentación. Con tensiones más bajas, el circuito se vuelve más lento y no puede oscilar a frecuencias más altas. Los 5 MHz se consiguen con tensiones superiores a 9 V. Los capacitores son cerámicos y como los circuitos integrados 4001 y 4011 tienen 4 puertas, de las cuales solo se utilizan 3, y como son intercambiables no se da la pinaje. Los capacitores utilizados deben ser cerámicos y la señal obtenida a la salida de este circuito es rectangular.




