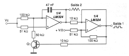
El circuito que se muestra en la figura utiliza dos de los cuatro amplificadores operacionales que se encuentran en el circuito integrado LM324. Los amplificadores operacionales más comunes se pueden usar en la misma configuración, dependiendo de sus características solo el límite del rango de frecuencia generado. La frecuencia central del circuito viene dada por el capacitor y el transistor usado puede ser de propósito general como el BC548. La tensión de control puede variar entre 0 y 50 V típicamente, ya que tenemos valores altos de resistores en la entrada y un circuito limitador. El circuito tiene dos salidas en las que se obtienen señales triangulares y rectangulares. No es necesario que la fuente de alimentación sea simétrica, pero se debe tener en cuenta la necesidad de una tensión de polarización V / 2 (la mitad de la tensión de alimentación) en la entrada positiva del segundo operacional. Esta tensión se puede obtener con un divisor formado por dos resistores de 10 k ohms conectados en serie.




