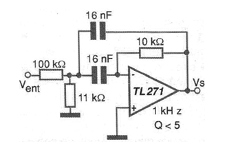
Texas Instruments sugiere el circuito que se muestra en la figura en sus Aplicaciones de circuitos lineales. Es un filtro con un factor Q relativamente bajo, menor que 7. Con los valores de los componentes que se muestran en el diagrama, la frecuencia sintonizada es de 1 kHz. Los condensadores se pueden cambiar para sintonizar otras frecuencias. Los valores mostrados son componentes con bajas tolerancias. Si la aplicación lo permite, se pueden utilizar valores comerciales. La fuente de alimentación es simétrica y operativa equivalente, con transistores de efecto de campo en la entrada que se pueden utilizar.




