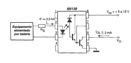
El circuito que se muestra en la figura está indicado para aplicaciones médicas donde el sector en contacto con el paciente debe estar completamente aislado del resto del circuito alimentado por la red eléctrica. El consumo de esta etapa es muy bajo y el aislamiento de la red eléctrica de 60 Hz es de 2500 V. El circuito puede funcionar tanto con señales analógicas como digitales.




