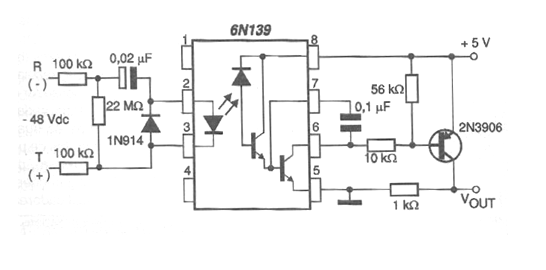
Con el circuito que se muestra en la figura, tenemos una señal lógica para activar un dispositivo de llamada cuando hay una señal de llamada en una línea telefónica. El circuito se puede utilizar para activar un TRIAC u otra carga de energía alimentada directamente a través de la red eléctrica con un aislamiento completo de la línea telefónica. Tenga en cuenta que la alimentación al sector de recepción se realiza con 5 V. El transistor 2N3906 es para propósito general y se puede reemplazar por equivalentes.




