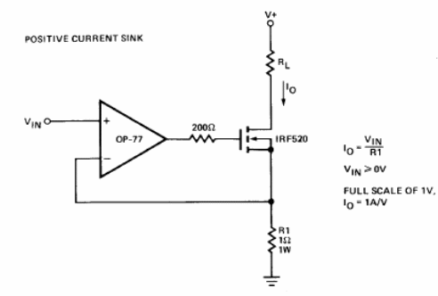
En las figuras tenemos dos drenajes de corriente que se pueden realizar con amplificadores operacionales y transistores de efecto de campo de potencia. El circuito de la primera figura es un drenaje de corriente con las características de funcionamiento que se muestran en el diagrama. Por otro lado, el circuito de la segunda figura consta de una fuente de corriente con las características también dadas en el diagrama. Para ambos circuitos, los transistores de efecto de campo de potencia deben montarse en disipadores de calor adecuados. Las fuentes de alimentación de los dos circuitos deben ser simétricas y se pueden probar equivalentes, siempre que tengan las mismas características.





