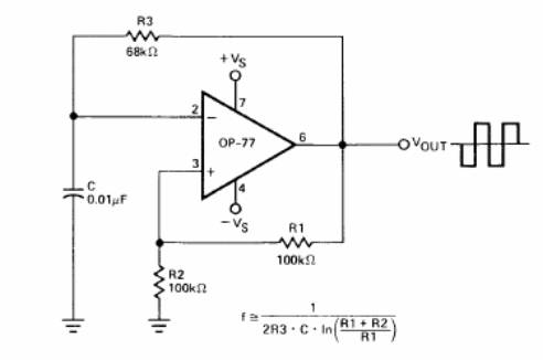
El oscilador que se muestra en la figura genera una señal rectangular con un 50% de ciclo activo (cuadrado) cuya frecuencia depende de los componentes utilizados, según la fórmula que se da al lado del diagrama. Con los valores indicados para los componentes, la frecuencia es de 1 kHz y la amplitud de la señal es de 2 V.

Oscilador rectangular



