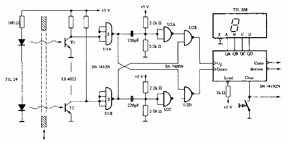
Este circuito solo cuenta el objeto que pasa por el sensor cuando el movimiento ocurre en una dirección. El circuito es del manual de optoelectrónica de Texas Instruments y es compatible con TTL.

Contador óptico unidireccional
Este circuito solo cuenta el objeto que pasa por el sensor cuando el movimiento ocurre en una dirección. El circuito es del manual de optoelectrónica de Texas Instruments y es compatible con TTL.
