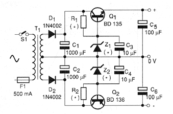
Utilizando reguladores transistorizados con transistores NPN y PNP podemos crear una fuente simétrica de mejor rendimiento, para corrientes de salida de hasta 500 mA. La fuente que se muestra en la figura tiene una tensión de salida determinada por los diodos Zener. Los resistores R1 y R2 tienen sus valores en función de la tensión del diodo Zener según la siguiente tabla:
Transformador de voltaje de salida (secundario) R1, R2 Diodo Zener
| Tensión de salida | |
| Transformador (secundário) | |
| R1, R2 | |
| Diodo Zener | |
| 6 + 6 V | |
| 7,5 + 7,5 V | |
| 150 ohms x 1/2 W | |
| 6,6 V x 400 mW | |
| 6 + 6 V | |
| 9 + 9 V | |
| 270 ohms x ½ W | |
| 6,6 V x 400 mW | |
| 6 + 6 V | |
| 12 + 12 V | |
| 390 ohms x ½ W | |
| 6,6 V x 400 mW | |
| 9 + 9 V | |
| 12 + 12 V | |
| 220 ohms x ½ W | |
| 9,8 V x 400 mW | |
| 9 + 9 V | |
| 15 + 15 V | |
| 470 ohms x ½ W | |
| 9,8 V x 400 mW | |
| 12 + 12 V | |
| 15 + 15 V | |
| 270 ohms x ½ W | |
| 12,6 V x 400 mW |
La corriente secundaria recomendada para el transformador es de 500 mA, pero si se utilizan transformadores más pequeños, la fuente también funcionará pero proporcionará una corriente máxima más baja. Los transistores deben estar equipados con radiadores de calor y su posición debe observarse cuidadosamente. El circuito se puede montar en una pequeña caja de plástico, con terminales de diferentes colores para la salida. Se puede agregar un indicador LED en paralelo con las salidas para indicar el funcionamiento. La resistencia en serie con este LED será de 470 ohms para la fuente de 6 V, 560 ohmios para la fuente de 9 V y 1 k ohms para la fuente de 12 V.

Q1 - BD135 - transistor NPN de potencia media
Q2 - BD136 - transistor PNP de potencia media
Z1, Z2 - diodos Zener de 400 mW - según voltaje de salida - ver tabla
D1, D2 - 1N4002 - diodos rectificadores de silicio
R1, R2 - ver tabla - según tensión y transformador
C1, C2 - 1000 uF - capacitores electrolíticos - ver texto
C3, C4 - 10 uF - capacitores electrolíticos
C5, C6 - 100 uF - capacitores electrolíticos
T1 - Transformador con primario según la red eléctrica y secundario según tabla
F1 - 500 mA - fusible
S1 - Interruptor simple
Varios:
Placa de circuito impreso o puente de terminales, radiadores de calor para los transistores, portafusibles, cable de alimentación, caja de montaje, cables, soldadura, etc.



