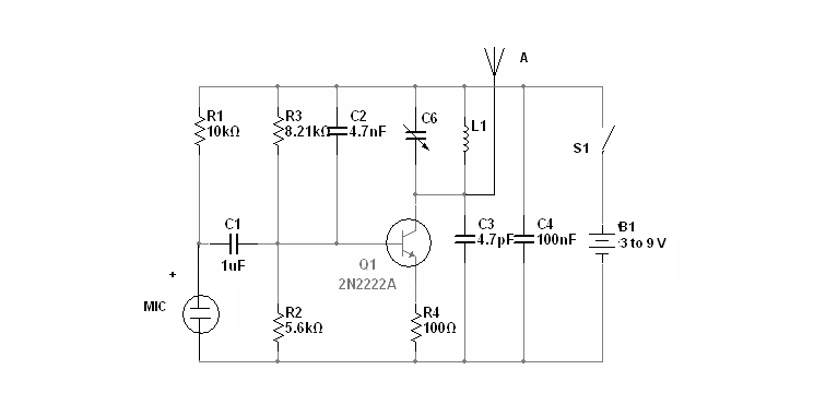
Este circuito es de una publicación de Newton C. Braga en los Estados Unidos. El transistor puede ser 2N2222 o equivalente como BF494. La antena debe ser de 10 a 25 cm y la bobina L1 está formada por 4 vueltas de hilo 24 en forma de 1 cm de diámetro sin núcleo. C6 es un trimmer común con 20 a 40 pF de capacitancia máxima. El micrófono es un electreto de dos terminales. El punto indica el lado positivo de la alimentación. El rango puede alcanzar los 200 metros al aire libre.




