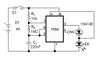
En la figura tenemos un circuito interesante en el que se utiliza un LED como sensor fotoeléctrico. Cuando este LED se enciende, el circuito se inicia y comienza a parpadear a una frecuencia determinada por R1, R2 y C2. Estos componentes pueden tener sus valores cambiados en una amplia gama de valores. Como el 7555 es un tipo CMOS, el consumo del circuito es extremadamente bajo. Es una aplicación interesante para ser utilizada en señalización. El circuito también funcionará con un 555 convencional (bipolar), pero su consumo será mayor. Se pueden utilizar diodos equivalentes en esta configuración.




