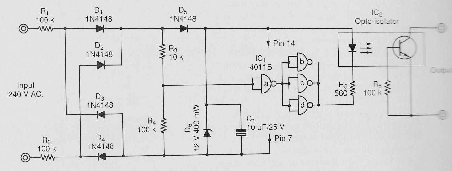
Este circuito de shield es de una publicación de 1993 y se puede implementar con cualquier aislador óptico que tenga un fototransistor. El circuito produce una señal de salida cuando la tensión de entrada pasa por cero en cada semiciclo. El circuito se puede cambiar para que funcione en la red de 110 V.




