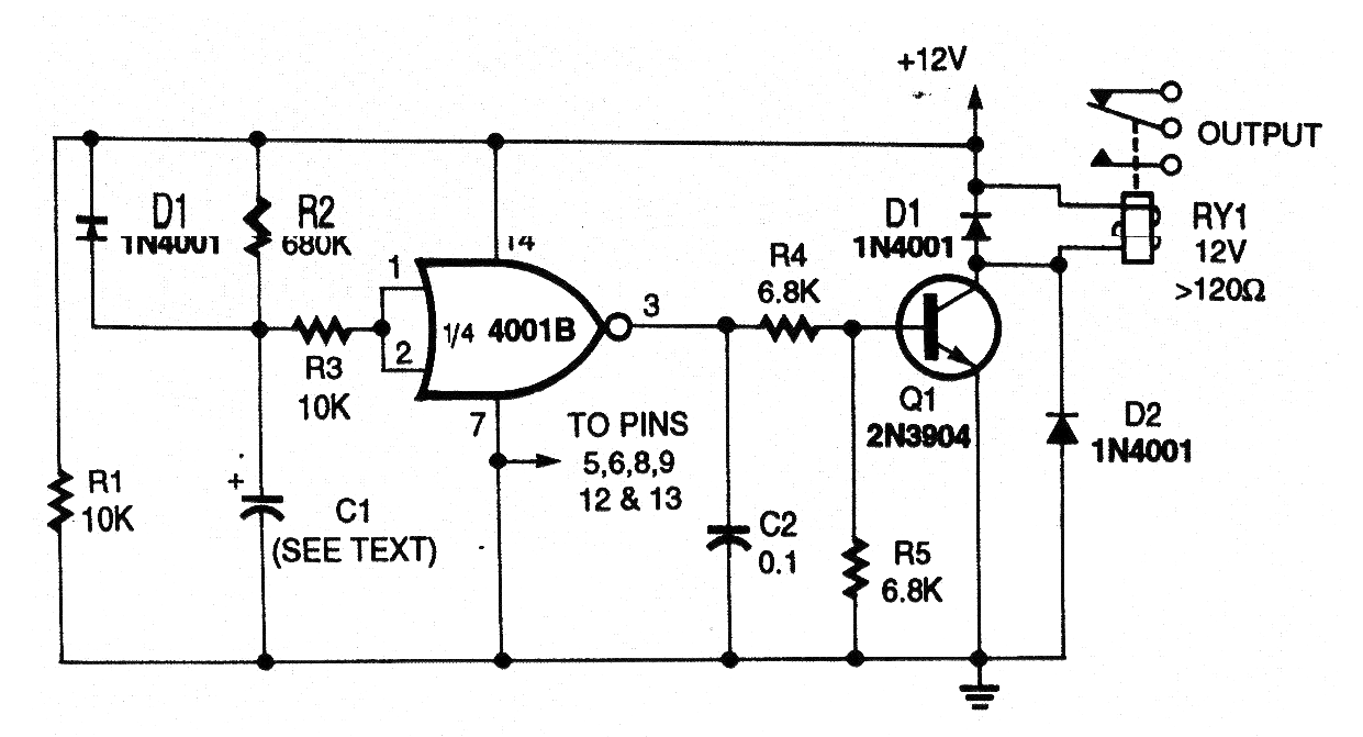
Este circuito se obtuvo en una Electronics Now de 1995. Apaga un relé después de un intervalo que depende de C1. C1 puede tener valores entre 100uF y 1000uF para intervalos de hasta 10 minutos. El transistor puede ser el BC548 y la alimentación también puede ser de 6 V si se utiliza un relé para esta tensión.




