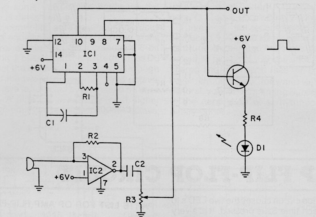
Este circuito hace que un LED parpadee en un robot cuando alguien habla cerca de él, mostrando que está escuchando. El circuito es de un Electronics Handbook de 1990. El transistor puede ser un BC548 y se pueden conectar más LED en paralelo, cada uno con un resistor. El micrófono debe ser de tipo piezoeléctrico de alta impedancia.




