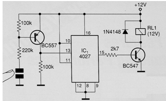
Este circuito de una publicación antigua usa componentes que aún son comunes. Un toque bloquea el relé y otro toque lo apaga. Nunca alimente este circuito con fuentes sin un transformador. Los resistores de 100k y 220k se pueden cambiar para obtener la sensibilidad deseada.

Interruptor de toque biestable



