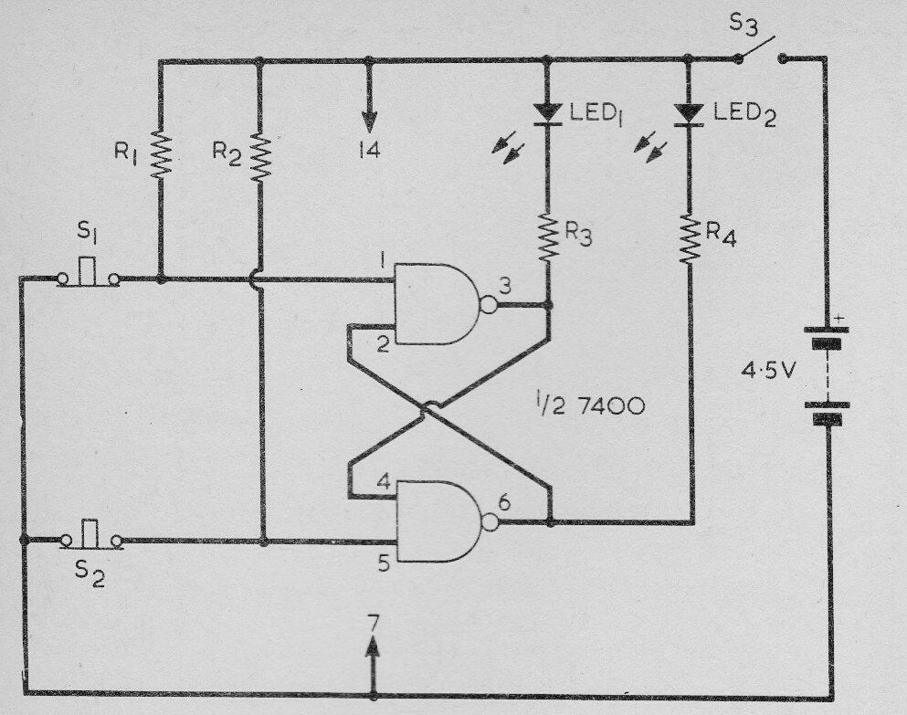
Este indicador se encontró en una publicación de 1974, pero puede equiparse con el transistor BC548 o equivalente. Los resistores R3 y R4 pueden ser de 330 ohms y R1, R2 4k7. El circuito también puede ser alimentado por 4 baterías con un diodo 1N4002 en serie.




