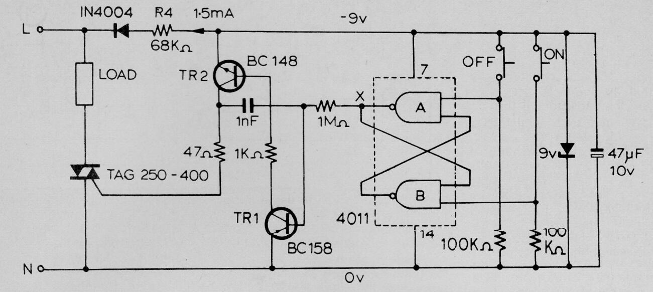
Este circuito es de una publicación en inglés de 1978, pero se puede ensamblar con BC548 para TR2 y BC558 para TR1. El triac puede ser cualquiera de las series ICT. El circuito activa la carga con un toque de los de los push buttons y se desconecta con un toque del otro. Los interruptores son del tipo NA. Tenga cuidado de que el circuito no esté aislado de la red eléctrica.




