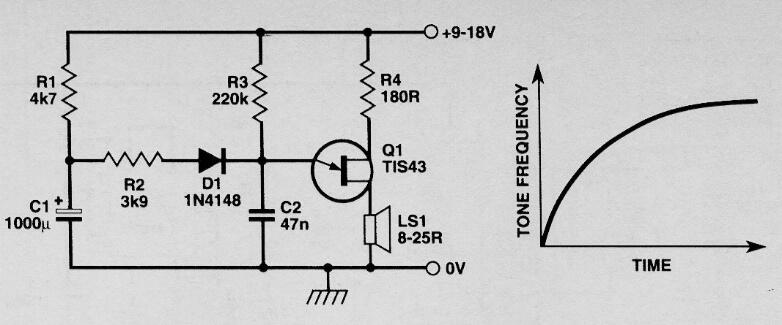
Este circuito es de 1991, pero se puede ensamblar con un transistor unijuntura 2N2646. Cuando se enciende, emite un tono de frecuencia que aumenta hasta la carga completa de C1. El resistor R1 se puede cambiar, así como la R2 para modificar el efecto.




