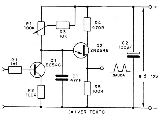
La frecuencia de salida depende de la tensión de entrada en este circuito. La frecuencia central de operación está determinada por C1 y se ajusta con P1. El resistor R1 tiene el valor dado por la banda de variación de la serial de entrada. Para variaciones hasta de 1V, El resistor puede ser de 1k.




