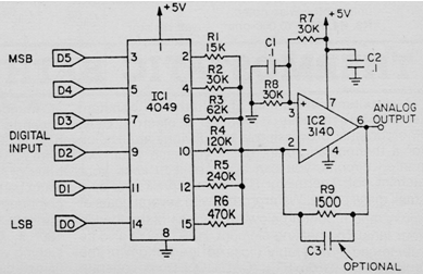
Encontramos este convertidor de digital a analógico de 6 bits en un Electronics Handbook de 1992. El circuito no necesita una fuente simétrica y utiliza componentes comunes. La salida varía entre 2 y 3 V en la escala de 64 pasos dada por los 6 bits. Se pueden probar otros amplificadores operacionales y se puede cambiar la escala.

Convertidor D-A de 6 bits



