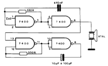
Este circuito produce el ruido de un grillo, reproducido en una pequeña cápsula piezoeléctrica cuando la entrada del pin 1 es llevada a un nivel alto por una señal de 5 V proveniente de un microcontrolador. La frecuencia viene dada por los capacitores, que eventualmente deben cambiarse para obtener más realismo. El circuito debe alimentarse con 5 V aplicados a los pinos 7 (negativo) y 14 (positivo).




