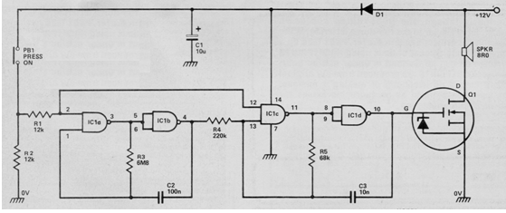
Este circuito se encontró en una publicación de 1980. Se puede ensamblar con cualquier MOSFET equivalente e incluso proporcionar mayor potencia con tipos que soportan una tensión más alta. El MOSFET debe montarse en un radiador de calor. Los componentes del oscilador se pueden cambiar para cambiar el sonido. D1 puede ser 1N4002 o equivalente.

Sirena 6 W



