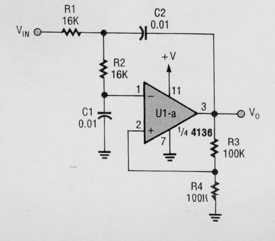
Encontramos este filtro en una Popular Electronics de 1993. El amplificador operacional puede ser el 741. La fuente de alimentación debe suministrar tensiones entre 9 y 12 V. Vea en la sección de matemáticas para electrónica cómo calcular los componentes para otras frecuencias.

Filtro de 1 kHz con acoplamiento CC



