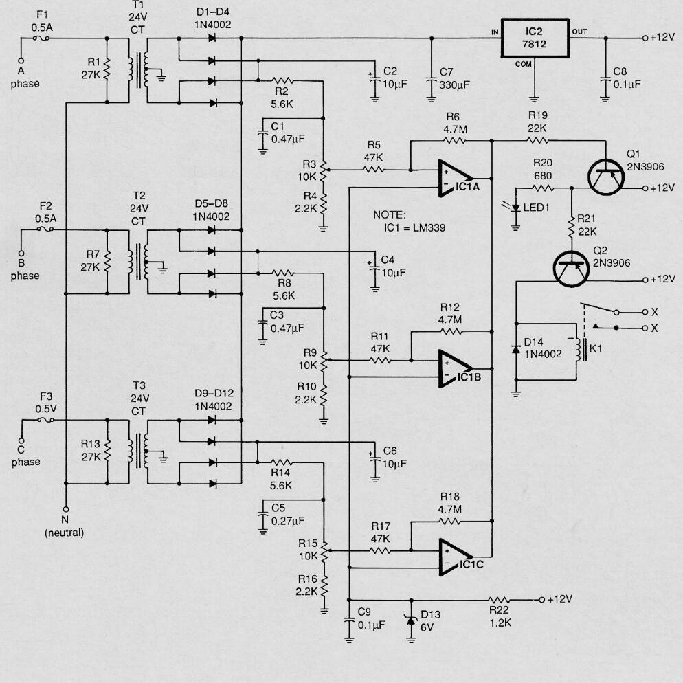
Este circuito es de Modern Electronics de abril de 1990. El circuito se puede ensamblar con transistores BC558. Los transformadores tienen al menos 200 mA de corriente secundaria. Lo que hace este circuito es que activa un relé cuando falta una de las fases que alimenta un motor. Los pinos de los comparadores LM339 no se muestran en el diagrama. Asegúrese de incluir los pinos de alimentación de este componente.




