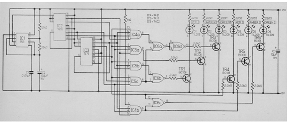
Encontramos este circuito de semáforo automático con 6 LED en una publicación de 1983. El circuito aún se puede ensamblar con transistores BC548 en lugar de los originales. La alimentación debe realizarse con una tensión de 5 V. El tiempo de los ciclos de activación viene dado por C2, que puede modificarse en un amplio rango de valores.

Semáforo



