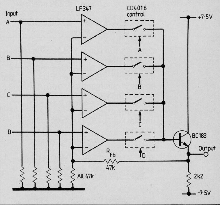
Este circuito se encontró en una publicación inglesa en 1986, pero aún se puede implementar reemplazando el transistor original con un BC548. La fuente de alimentación debe ser simétrica y también puede ser de 9 V. El circuito integrado LF347 puede ser reemplazado por otros operacionales equivalentes. El circuito es para señales pequeñas que son conmutadas por el control lógico 4016, que también puede ser reemplazado por el 4066 con menos resistencia al paso de las señales.




