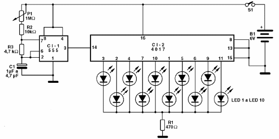
Este circuito activa 10 LED en secuencia a una velocidad que depende de la configuración de P1. Para suministro de 9 o 12 V, aumente R1 a 1k. Los LED son comunes y el rango de velocidad de descarga se puede cambiar en C1. Para un reloj externo, la señal se puede aplicar al pin 14 de 4017. Este circuito es de un libro de Newton C. Braga.

Secuencial 4017 Básico



