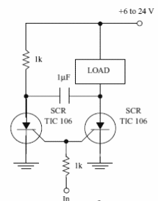
Los pulsos aplicados a la entrada de este circuito encienden y apagan alternativamente el SCR controlando la carga. La corriente máxima de la carga depende de los SCR, en este caso es alrededor de 3 A. Finalmente, el valor del capacitor debe cambiarse para obtener el mejor rendimiento del circuito. El circuito es de un libro de Newton C. Braga.

Biestable con SCR



