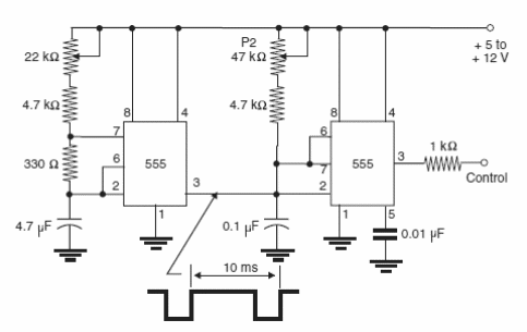
El control del servomotor presentado genera pulsos de intervalo de 10 ms con una duración de acuerdo con la posición deseada del servo. El ajuste debe realizarse con la ayuda de un osciloscopio. El circuito es de un libro de Newton C. Braga, publicado en Estados Unidos.

Servocontrol



