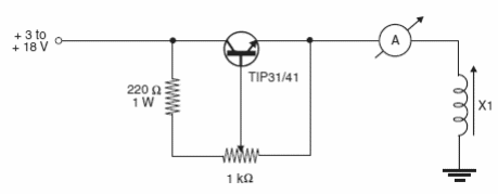
En este circuito, la corriente en el solenoide X1 se puede ajustar y su intensidad se puede medir a la fuerza deseada. El circuito funciona con solenoides de 3 a 18 V y corrientes de hasta 3 A. El transistor debe estar equipado con un radiador de calor. El circuito es de un libro publicado en Estados Unidos por Newton C. Braga.

Circuito para determinar la fuerza de un solenoide



