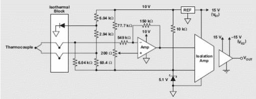
Este circuito es de una publicación de 2010 de Texas Instruments. El circuito interconecta un termopar con un circuito de procesamiento utilizando un amplificador de aislamiento. Se puede obtener más información en el documento de empresa slyt426 accesible en su sitio web.

Interfaz de termopar



