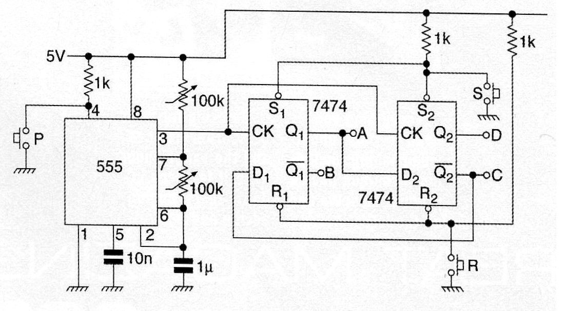
El circuito que se muestra está destinado al control de motores paso a paso, produciendo una secuencia de pulsos determinada mediante el ajuste de los potenciómetros de 100 k junto al 555. Las salidas se pueden decodificar o amplificar para activación de potencia. El circuito es de una publicación inglesa de 2003 y la alimentación debe realizarse con 5 V.




