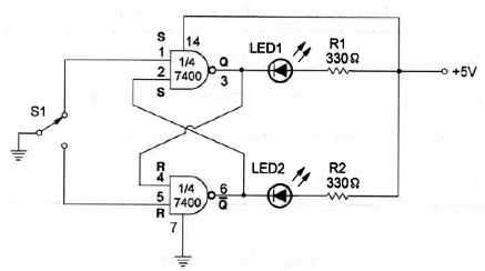
Este circuito simple sirve para demostrar el princípio de funcionamiento de un flip-flop Set-Reset (S-R o R-S). El circuito debe alimentarse con 5 V ya que es TTL y los LED pueden ser de diferentes colores. El circuito es del libro Fun Projects for the Experimenter de Newton C. Braga, publicado en Estados Unidos.

Flip-Flop experimental R-S



