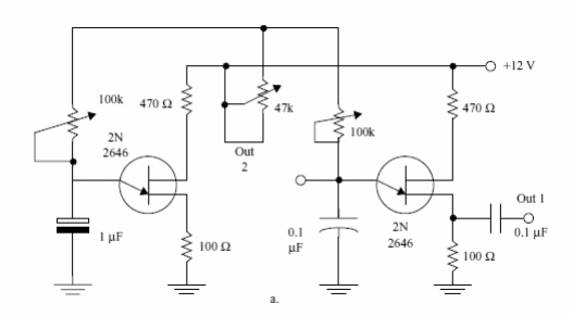
Este circuito tiene tres configuraciones, frecuencia de sonido central, velocidad de modulación y profundidad de modulación. La señal del circuito debe aplicarse a la entrada de un buen amplificador. La alimentación debe estar entre 9 y 15 V. El circuito es del Mechatronics Sourcebook de Newton C. Braga, publicado en los Estados Unidos.

Sirena Modulada con Unijutura



