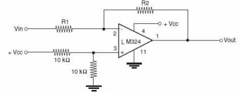
La ganancia del amplificador operacional que se muestra en la figura depende de la resistencia de retroalimentación, de acuerdo con la tabla que se muestra al lado del diagrama. Se pueden utilizar otros operativos y R1 debe ser de 10 k ohms, que es la impedancia de entrada del circuito. La fuente no tiene que ser simétrica. El circuito es del libro Robotics, Mechatronics and Artificial Intelligence de Newton C. Braga, publicado en Estados Unidos.




