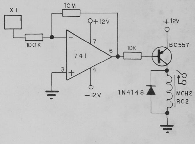
Acercándose la mano o un objeto al sensor de este circuito, el relé cierra sus contactos. El sensor es una placa de metal. El cable de conexión del sensor al circuito debe estar corto. La fuente debe ser simétrica según el relé utilizado. El relé puede ser equivalente a 12 V.




