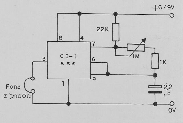
Este metrónomo puede usar un teléfono de alta impedancia o un teléfono de cristal. Puede utilizar un altavoz pequeño con la adición de un escenario transistorizado. El circuito funciona con tensiones de 5 a 9 V y la velocidad del clic se ajusta en el potenciómetro.




