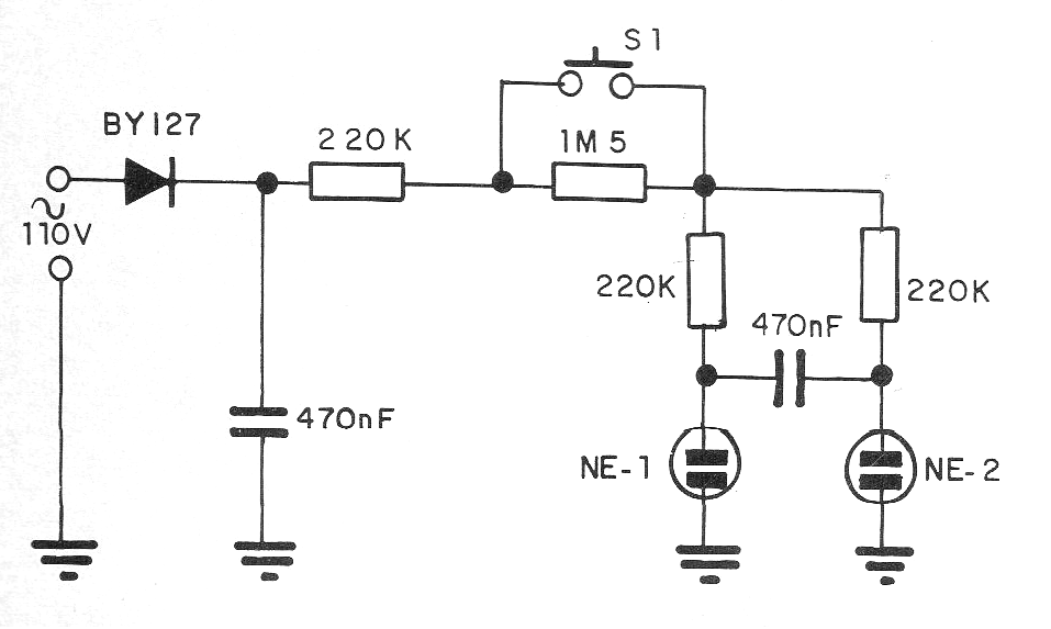
Presionar y soltar S1 sigue siendo una de las lámparas de neón. Cuál será, no es posible predecir. El circuito también se puede alimentar con 220 V, aumentando la resistencia en serie con el diodo a 470 k. El diodo puede ser 1N4004 para 110 V y 1N4007 para la red de 220 V.




