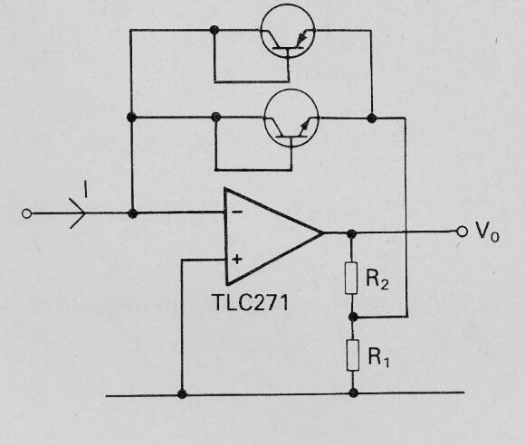
Encontramos este circuito en el Linear Circuits Applications de Texas Instruments. Utiliza un operacional con FET TLC271, pero se pueden usar equivalentes como el CA3140. Los transistores pueden ser BC558 y BC548 y la fuente de alimentación debe ser simétrica. R1 y R2 determinan la ganancia del circuito.

Detector de nulo



