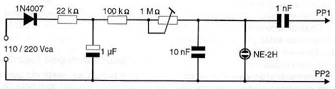
Con este oscilador de relajación con lámpara de neón podemos generar señales de audio de pequeña intensidad para trabajos de investigación en circuitos de audio. Tenga en cuenta que el circuito no está aislado de la red eléctrica y utiliza solo componentes pasivos. La frecuencia depende del capacitor de 10 nF y se establece en el potenciómetro de 1 M ohms. Como el circuito no está aislado, solo debe usarse en circuitos que no estén conectados a la red eléctrica y aun observando las reglas de seguridad que requiere la carcasa.




