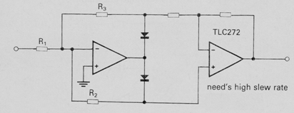
Este circuito pertenece a los Linear Circtuis Applications de Texas Instruments. Es un circuito rectificador de señal utilizado en instrumentación, que utiliza un doble operacional con FET TLC272. La fuente debe ser simétrica y se pueden utilizar equivalentes operacionales. Los resistores se calculan de acuerdo con la ganancia deseada.

Rectificador operacional de onda completa



