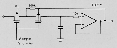
Encontramos este circuito en Linear Circuits Applications de Texas Instruments. En el original se implementa con el amplificador operacional TLC271, pero se pueden utilizar equivalentes con FET. La fuente debe ser simétrica y el capacitor depende de la frecuencia de muestreo, normalmente entre 10 nF y 1 uF.

Muestreo y retención de bajas pérdidas



