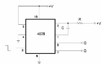
Una transición de nivel alto a bajo en la entrada de este circuito cambia las salidas durante un tiempo determinado por la constante RC. El circuito se puede alimentar con tensiones de 5 a 15 V. Este circuito es del Libro CMOS Sourcebook de Newton C. Braga publicado en los Estados Unidos.

Monoestable con el 4528



