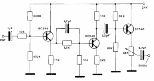
Este circuito se puede utilizar con amplificadores de alta calidad, siendo alimentado por una tensión de 24 V obtenida del propio amplificador, ya que el consumo está entre 2 y 4 mA únicamente. El circuito utiliza un BC549 de bajo ruido en la entrada, dada su alta ganancia. Las conexiones cortas y los cables de señal blindados son esenciales para garantizar la inmunidad a los ronquidos y al ruido exterior.




