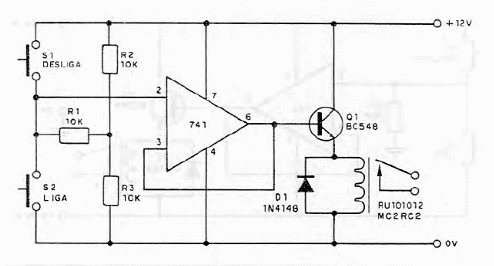
El CIR348 muestra un biestable con circuito integrado 741, pero utilizando una fuente simétrica. El circuito que presentamos hace lo mismo, pero no necesita una fuente simétrica. El relé es de 12 V y el principio de funcionamiento es el mismo. Se pueden utilizar otros amplificadores operacionales en la misma configuración.

Biestable 741 Sin fuente simétrica



