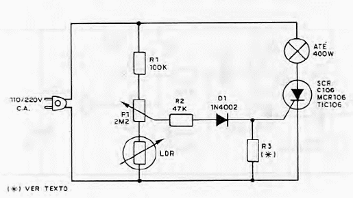
Este circuito hace que una lámpara se encienda al anochecer y la apague al amanecer. Un LDR que apunta al cielo es el sensor de este circuito. La lámpara solo puede ser incandescente y el SCR debe tener un disipador de calor. R3 será necesario con TIC106 y su valor debe estar entre 1k y 4k7. Para la red de 110 V, el TIC106 debe tener el sufijo B y para la red de 220 V debe tener el sufijo D. El circuito es de media onda, por lo que la lámpara se encenderá a la mitad de brillo.




