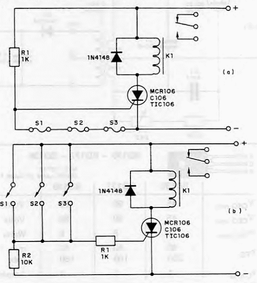
En el primer circuito, la alarma se dispara cuando alguno de los sensores se abre (se interrumpe) y en el segundo, el disparo se produce cuando alguno de los sensores está cerrado. El suministro debe realizarse con una tensión de 2 V más que la tensión de disparo del relé, ya que esta es la caída del SCR. El relé debe ser un tipo sensible de bobina de 50 a 100 mA. En la condición de espera, el consumo de estos circuitos es muy bajo, habilitando su alimentación por batería. Los contactos de la sirena y otros dispositivos de advertencia audible se pueden conectar a los contactos del relé. El número de sensores es ilimitado y se pueden conectar al circuito mediante cables largos y delgados.




