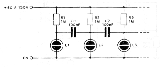
En este circuito la secuencia de iluminación de las lámparas de neón es 2, 2-1, 1-2, 3-2, 1-2 - 3-2, etc. Se pueden agregar más lámparas. La velocidad o efecto de encendido dependerá de los valores de las resistores y capacitores, que pueden tener valores entre 47 nF y 220 nF. Las resistencias pueden tener valores entre 1 M y 4M7. La tensión de alimentación debe ser de al menos 100 V y las lámparas de neón pueden ser NE-2H o equivalente. El consumo de este circuito es extremadamente bajo.




