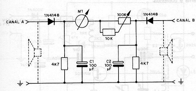
Conectado a la salida de dos amplificadores o canales de un sistema estéreo, este circuito indica cuando la fuerza de las dos señales es la misma. El ajuste para la deflexión máxima se realiza en el trimpot de 100 k y el instrumento debería ser preferiblemente un indicador de escala completa de 100 a 200 uA con cero en el centro.

Indicador de equilibrio



