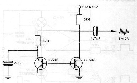
Este circuito aprovecha el ruido térmico generado en la unión base-emisor de un transistor común. Por esta razón, en este circuito el terminal del colector permanece desconectado. La señal se amplifica y se puede aplicar a la entrada de un amplificador. El consumo de circuito es muy bajo y se pueden utilizar transistores equivalentes. Obtenga más información sobre el ruido blanco en varios artículos del sitio.




